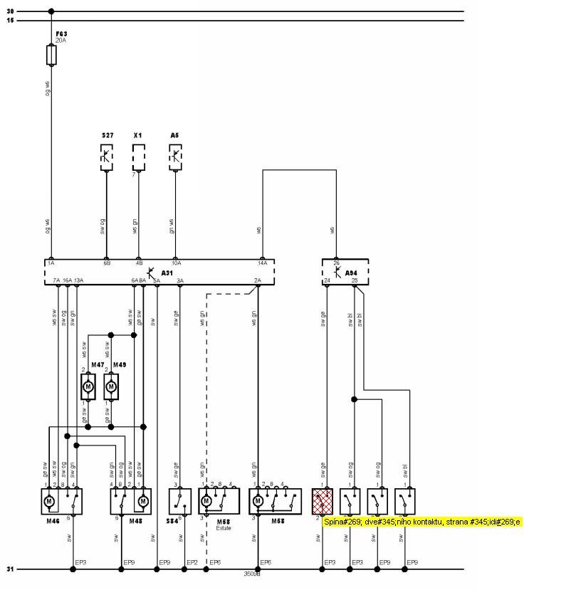
prosim nevie niekto kde sa nachadza dverovy spinac pre vnutorne osvetlenie?
zamok v prednych dverach som rozobral a tam nieje, v kufrovom zamku je spinac ale ten je dobry, od toho to nesvieti.
vdaka.






Uživatelé prohlížející si toto fórum: Žádní registrovaní uživatelé a 0 hostů