Stala se mi věc, kterou mi hlava nebere. Na FF r.v. 2005 (nový model) mám vyhřívané čelní sklo. To mi v roce 2009 měnili, protože jej někdo přející rozbil kamenem. Fungovalo bez problémů, ale asi před měsícem mi odešlo vyhřívání přesně půlky skla na straně řidiče. Sklo má na této straně již skoro rok defekt od letícího kamínku, ale dírka se nezvětšuje a je jen povrchová.
Nevíte čím ta porucha vyhřívání může být a jak ji odstranit?
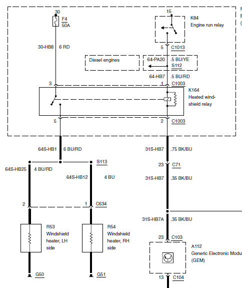
Myslel jsem, že jsou zde dvoje pojistky, ale celé to obstarává jedno relé (myslím, že je to relé).
Díky za rady.
Vyhřívané čelní sklo
- VH123
- Zkušený

- Příspěvky: 1212
- Registrován: 09.04.2009 09:37
- Bydliště: Lovosice
Re: Vyhřívané čelní sklo
Relé je sice jedno, ale napájení drátků skla je rozdělené na dvě půlky. Jestli nehřeje přesně jedna polovina, viděl bych to na blbé ukostření nebo napájení na jedné straně skla. Shoď plast z A sloupků, odpoj konektory od skla a proměř odpor obou půlek a napětí na obou konektorech.
Ty drátky jsou paralelně vedle sebe, takže poškození několika z nich nehraje roli. Na Fiestě to mám horší, tam už mi na straně spolujezdce funguje už cca posledních 5 a to je zoufale málo. Asi ho pojistím a budu se lepit na kamiony.
Ty drátky jsou paralelně vedle sebe, takže poškození několika z nich nehraje roli. Na Fiestě to mám horší, tam už mi na straně spolujezdce funguje už cca posledních 5 a to je zoufale málo. Asi ho pojistím a budu se lepit na kamiony.
Vojta
__________________
Ford Focus 1.6 16V 74 kW TrendoGhia 2003 LPG Stag 4 Rust In Pieces
Ford Capri Mk2 2.3 V6 X-pack 1977
Mazda 5 CW 2.5 2012
__________________
Ford Focus 1.6 16V 74 kW TrendoGhia 2003 LPG Stag 4 Rust In Pieces
Ford Capri Mk2 2.3 V6 X-pack 1977
Mazda 5 CW 2.5 2012
Kdo je online
Uživatelé prohlížející si toto fórum: Žádní registrovaní uživatelé a 0 hostů


