Baterie / autobaterie / nabijecka

Chcete s něčím poradit nebo se podělit o radu s ostatními?
Moderátor:foki
Odpovědět
Uživatelský avatar
kudlis
Nováček
Nováček
Příspěvky: 15
Registrován: 29.01.2009 00:00
Bydliště: Praha

Re: Baterie

Příspěvek od kudlis » 01.02.2009 17:12

Dodneška jsem nabíjel u táty, ale uvažuju o koupi nabíječky. Mám baterii 74Ah v 1,8TDCi.
Můžete mi nějakou doporučit, to co jsem našel na webu mi připadá všechno stejný....
Díky
fofo kombi 1,8TDCi 85kW (*3/2004) Obrázek Baby on Ford

Uživatelský avatar
pelen
Test driver
Test driver
Příspěvky: 9259
Registrován: 02.02.2008 03:18
Bydliště: Nový Jičín
Kontaktovat uživatele:

Re: Baterie

Příspěvek od pelen » 01.02.2009 19:07

Ford Mondeo Combi 2.0 TDCi 12/2005, 85kW, Diamond White
Obrázek
Obrázek

Uživatelský avatar
Black66
Nováček
Nováček
Příspěvky: 129
Registrován: 17.02.2008 11:59
Bydliště: Vysočina

Re: Baterie

Příspěvek od Black66 » 08.02.2009 18:19

Zkušenost s "magickým okem" u orig. baterie Motorcraft: Přes vánoce Fofo odpočíval v garáži (14 dnů). Koncem dovolené jsem zjistil, že oko změnilo barvu na červenou a ještě později na čirou (žádná barva) (napětí asi 12,4V). Dal jsem nabíječku, během nabíjení, ani po něm žádná změna (víc jak 14V). Zkusil jsem nastartovat- na 1. drnc- a nechal to chvilku bafat, ale opět nic. Mé chmurné myšlenky nad krátkým životem baterky se rozplynuly až po najetí na normální pracovní režim. Opět zelené! (Mimochodem ve Feldě jsem měnil orig.Akumu po 13 letech). To oko si vysvětluju snad jen tím, že se musela kyselina stáhnout do desek a až se zase pořádně promíchala (i v tom oku), začalo to být zase zelené.

Také jsem provedl měření vybíjení baterie spotřebiči auta v klidu- základní výbava (DO,imob.,radio6000CD).Měřeno multimetrem zařazeným do serie.
Po vyp klíčku do "0": 95 mA
Po 1/2 hod. : 13,5 mA (po odpadnutí relé vnitř. osvětlení)

Snad to někomu pomůže při problémech s baterkou.
FF Combi 1.6 16V 03 Silver
Obrázek

Uživatelský avatar
yozefb
Pokročilý
Pokročilý
Příspěvky: 521
Registrován: 27.10.2008 07:41
Bydliště: TV

Re: Baterie

Příspěvek od yozefb » 09.02.2009 13:56

chcem sa opytat, mam este origo baterku, startuje celkom v poho, mohla by aj lepsie, ale planujem ju dobit.
Ked stojim napr. na krizovatke, tak mi svetka poblikuju, takisto aj osvetlenie pristrojovky, dobre to vidno na displeji tacho.

predstavuje to nejaky problem, alebo je to normalna vlastnot ?
Focus 1.6 16V HB 2003 silver

Uživatelský avatar
zewl
Test driver
Test driver
Příspěvky: 8644
Registrován: 02.02.2008 03:18
Bydliště: Olomouc
Kontaktovat uživatele:

Re: Baterie

Příspěvek od zewl » 09.02.2009 14:12

taky, pokud mam studeny motor a zaple vyhrivani celniho skla, tak trosku pohasina palubka... Rekl bych, ze je to v pohode, i na volnobeh to musi vsechno alternator utahnout a ty otacky nejsou zrovna vysoke (cca. 750-800). Tak proto to pohasina.
Ford Focus combi 1.8 TDDi, 90 PS, narozen 12/2002
Obrázek

Uživatelský avatar
yozefb
Pokročilý
Pokročilý
Příspěvky: 521
Registrován: 27.10.2008 07:41
Bydliště: TV

Re: Baterie

Příspěvek od yozefb » 09.02.2009 14:14

lenze ono to tak lahko blika, nielen ze sa to stlmi, ale aj blika, a uz ked je motor teply.
takze ok, jo ?
Focus 1.6 16V HB 2003 silver

Uživatelský avatar
zewl
Test driver
Test driver
Příspěvky: 8644
Registrován: 02.02.2008 03:18
Bydliště: Olomouc
Kontaktovat uživatele:

Re: Baterie

Příspěvek od zewl » 09.02.2009 14:15

tak si zkus zmerit, jestli ti dava alternator spravnou stavu pri volnobehu, jestli neni problem tam...
Ford Focus combi 1.8 TDDi, 90 PS, narozen 12/2002
Obrázek

Uživatelský avatar
yozefb
Pokročilý
Pokročilý
Příspěvky: 521
Registrován: 27.10.2008 07:41
Bydliště: TV

Re: Baterie

Příspěvek od yozefb » 09.02.2009 14:17

ok, trochu mi lepi, ale checknem to. Dufam, ze ma neklepne pri tom, lebo altik ja servis okolo je drahy jak slak.
Focus 1.6 16V HB 2003 silver

Uživatelský avatar
Black66
Nováček
Nováček
Příspěvky: 129
Registrován: 17.02.2008 11:59
Bydliště: Vysočina

Re: Baterie

Příspěvek od Black66 » 09.02.2009 18:11

Ty světla ti blikají, nebo pohasínají? A co ti v tu chvíli dělá otáčkoměr? Mně při studeném motoru také lehce kolísají otáčky a tím pádem dochází k poklesu napětí sítě-pohasnou světla. Podezřívám váhu vzduchu. Až bude tepleji, tak se ji pokusím vyčistit.
FF Combi 1.6 16V 03 Silver
Obrázek

Uživatelský avatar
yozefb
Pokročilý
Pokročilý
Příspěvky: 521
Registrován: 27.10.2008 07:41
Bydliště: TV

Re: Baterie

Příspěvek od yozefb » 09.02.2009 20:36

otacky su praveze pri tom stabilne. no je to vidiet, ako keby cvakalo rele, a zapinalo - vypinalo sa pri tom dobijanie. Deje sa to chvilku a potom prestane, potom znovu. Uz som si to vsimol aj na inych nie Ford autach pr stati na cervenej.
Focus 1.6 16V HB 2003 silver

Uživatelský avatar
ferdys
Nováček
Nováček
Příspěvky: 32
Registrován: 02.02.2008 03:18
Bydliště: Praha

Re: Baterie

Příspěvek od ferdys » 13.02.2009 21:07

Tak a já přispěji tím, jak pokračuje anabáze mých poblémů s dobíjením (spíše nedobíjením:-) Auto bylo 10dnů u elektrikáře ..! Několikrát rozebral a dával s novými a novými díly alternátor. ten pracuje prý na jedničku a plně pokrývá veškeré spotřebiče v autě,dokonce i mírně dobíjí, ale napětí při dobíjení stále okolo 13,5V, pouze když se ke všem spotřebičům zapne vyhřívání předního skla, směr proudu se otočí a mírně teče z baterky ven. Vyměnil prakticky veškerou kabeláž, nové konektory .... a dobíjecí proud je ale stále nízký .... takže auto se v pondělí vrací do servisu k Fordovi, kde to mě podržte, budou zkoumat, zda není chyba v řídící jednotce. A to by bylo to poslední co bych potřeboval.... Neměl jste někdo podobný problém ? Nová jednotka prý 25kolíků a to už mám otevřenou zakázku za cca 6tis. Díky za každý impuls .....
Ford Focus C-MAX 100kW, 2,0 TDCI 2006

Uživatelský avatar
pelen
Test driver
Test driver
Příspěvky: 9259
Registrován: 02.02.2008 03:18
Bydliště: Nový Jičín
Kontaktovat uživatele:

Re: Baterie

Příspěvek od pelen » 14.02.2009 07:21

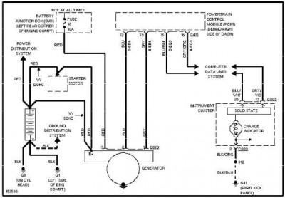
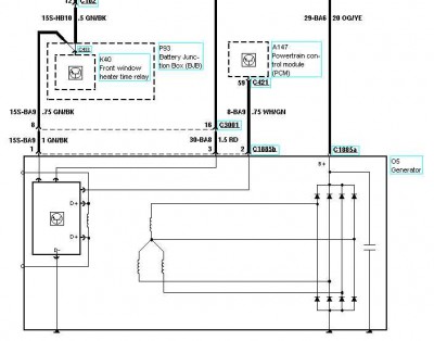
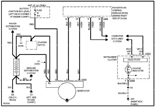
Ferdys, velikost napeti, ktere dava do palubni site alternator neridi ridici jednotka, ale elektronicky regler primo v alternatoru. My, kteri jsme jiz tuto soucastku museli menit, tak alternator vetsinou prebijel, napeti bylo vice jak 15 V.
Regler je ta soucastka, ktera je na obrazku "altik regulator.jpg" v obdelniku oznacenem "generator" vlevo s naznacenym tranzistorem.
Přílohy
altik.jpg
altik regulator.jpg
regler2.JPG
Ford Mondeo Combi 2.0 TDCi 12/2005, 85kW, Diamond White
Obrázek
Obrázek

dj-vozi
Nováček
Nováček
Příspěvky: 140
Registrován: 23.03.2008 12:42
Bydliště: Přerov

Re: Baterie

Příspěvek od dj-vozi » 16.02.2009 07:53

ahoj taky mám problém už před měsícem mi vylítávaly ručičky přes všechny budíky ale jezdilo to potom jsem asi měsíc skoro vůbec nejezdil zkrz bouračku po opravě jsem začal jezdit asi 3 dny a pořád lítalky ručičky a kontrolka baterky se pořád rožínala a zhasínala včera mi zničehonic začal klesta volnoběh začly blikat všechny kontrolky světla se rožínaly a zhasínaly až to nakonec chcíplo a teď už to jen cvaká. Modlím se ať je to jen baterka a nic jiného :cry:
Ford Focus 1.6 16V Ghia (hatchback) 5.dv, r.v. 1998
černá metalíza, pružiny eibach, výfuk ulter sport, kit KN,

Uživatelský avatar
ferdys
Nováček
Nováček
Příspěvky: 32
Registrován: 02.02.2008 03:18
Bydliště: Praha

Re: Baterie

Příspěvek od ferdys » 16.02.2009 08:48

To Pelen a dalsi..:-) Teď jsem mluvil s elektrikářem...Regler už zkoušel v altíku třetí...když roztočí alternátor "na stole" dává prý 14 V..zkontroloval a proletoval prý všechnu kabeláž, vyměnil oka, nějaké konektory,zkoušel i jině akumulátory, jestli ta baterie co tam teď je nemá nějaký ztvrdlý článek .. a do baterky jde stále 13,5 V. Ještě zkouší nějakou pro něho poslední možnost ... pak už nevím ... zkusit to ještě dát jinam .. ? Není mi z toho moc do smíchu .. :-)
Ford Focus C-MAX 100kW, 2,0 TDCI 2006

Uživatelský avatar
whoiswho
Nováček
Nováček
Příspěvky: 7
Registrován: 02.02.2008 03:18

Re: Baterie

Příspěvek od whoiswho » 16.02.2009 09:36

Tak som po problemoch so startovanim (Tocilo a chytilo to az ked uz to vyzeralo ze baterka odide) skusal doliat destilku, nabijat baterku (dva vykendi s roznymi nabijackami) a nic. Rozhodol som sa kupit novu baterku a priamo vo Forstingeri mi ju vymenili. Bol som spokojny ze snad je po problemoch...
Prisiel pondelok rano, start na studeno a nic.. zase tazko tocil, akoby tocil s posledneho. Teras sa snazim rozhodnut do ktoreho servisu to odnesiem a co mam v servise povedat aby mi nevymenili aj to co nemaju :). Viete niekto poradit? Inak som z Trencina a makam v Bratislave. Takze ak mate niekto skusenosti (samozrejme citam ze vsetci odporucuju KOIS Tr. Turnu a Banovce) co mam povedat v servise? Alebo si mam splasit nejaky neznackovy servis niekde v BA (ak ano zisiel by sa kontakt)? Moze byt chyba v Alternatore? Na alarme mam meranie napatia a pri zapnutom motore mam 14,6 -14,9.
Do auto som amater a tak dufam v radu :).

Inak mam 1.9TDCi r.2003.

Odpovědět

Zpět na „Rady, nápady a dotazy“

Kdo je online

Uživatelé prohlížející si toto fórum: Žádní registrovaní uživatelé a 1 host