Svetelny senzor a svetla denneho svietenia
- Adow
- Člen klubu

- Příspěvky: 6807
- Registrován: 20.05.2011 09:52
- Bydliště: Kousek od Brna
Re: Svetelny senzor a svetla denneho svietenia
Já jsem nad tím uvažoval a chtěl jsem přerušovat signál od senzoru a pouštět ho až pár sekund po nastartování... Chová se to ale tak, že když není signál, tak je tma - což je pro toto řešení dost nevhodné.. Tak jsem se na to vyprdl 
Je: Ford S-max II, 2.0 TDCi
Je: Ford B-max, 1.0 EB
Je: BMW i3, BEV 125 kW
Byl: Ford S-max I, 1.8 TDCi
Byl: Ford Focus III Combi FL, 1.5 EB
Byl: Ford Focus II Combi FL, 1.6i
Je: Ford B-max, 1.0 EB
Je: BMW i3, BEV 125 kW
Byl: Ford S-max I, 1.8 TDCi
Byl: Ford Focus III Combi FL, 1.5 EB
Byl: Ford Focus II Combi FL, 1.6i
- ZaQik
- Admin

- Příspěvky: 24987
- Registrován: 30.05.2010 17:33
- Bydliště: exit 82 na D0
Re: Svetelny senzor a svetla denneho svietenia
proud do svetel tece pres R15 - kdyby tam dal misto normalniho nejake zpozdovaci rele, tak se rozsviti skutecne pozdeji
Ford Focus mk3 combi 1.6 Ti-VCT, r.v.2018 + Ford Fiesta mk7 3D 1.25, r.v.2014
byl Ford Focus mk2 combi 1.6, r.v.2009 + Ford Fiesta mk6 1.4 TDCi r.v. 2004
Nejsem poradna, encyklopedie ani hotline spolecnosti Ford - ptejte se na foru, od toho je.
byl Ford Focus mk2 combi 1.6, r.v.2009 + Ford Fiesta mk6 1.4 TDCi r.v. 2004
Nejsem poradna, encyklopedie ani hotline spolecnosti Ford - ptejte se na foru, od toho je.
-
pavel 1.6
- Nováček

- Příspěvky: 120
- Registrován: 18.01.2014 13:43
Re: Svetelny senzor a svetla denneho svietenia
Problém je,že si auto přes senzor pamatuje poslední zapnutí světel a proto někdy spíná napřed hned tlumená a
až po nastartování přepne na denní.Muse bych spozdit obě.Chtěl jsem zkusit spozdit vstup s označením
AUTOLAMP OR DTRL INDICATOR.
až po nastartování přepne na denní.Muse bych spozdit obě.Chtěl jsem zkusit spozdit vstup s označením
AUTOLAMP OR DTRL INDICATOR.
Ford Focus II 1,6 16V Titanium 5dv., r.v. 2008
- ZaQik
- Admin

- Příspěvky: 24987
- Registrován: 30.05.2010 17:33
- Bydliště: exit 82 na D0
Re: Svetelny senzor a svetla denneho svietenia
tak pak zpozdit proud primo u svetel, dat rele bud do svetla nebo pred konektor do nej
Ford Focus mk3 combi 1.6 Ti-VCT, r.v.2018 + Ford Fiesta mk7 3D 1.25, r.v.2014
byl Ford Focus mk2 combi 1.6, r.v.2009 + Ford Fiesta mk6 1.4 TDCi r.v. 2004
Nejsem poradna, encyklopedie ani hotline spolecnosti Ford - ptejte se na foru, od toho je.
byl Ford Focus mk2 combi 1.6, r.v.2009 + Ford Fiesta mk6 1.4 TDCi r.v. 2004
Nejsem poradna, encyklopedie ani hotline spolecnosti Ford - ptejte se na foru, od toho je.
-
stano.
- Člen klubu

- Příspěvky: 13642
- Registrován: 18.07.2011 19:55
Re: Svetelny senzor a svetla denneho svietenia
Potom musis zapinat svetla pred tunelom manualne a dostatocne s predstihom.
A neviem co na to policajti, STK a realne pouzivanie. Ked vzdy pri snahe zapnut svetla musis cakat...
A neviem co na to policajti, STK a realne pouzivanie. Ked vzdy pri snahe zapnut svetla musis cakat...
- ZaQik
- Admin

- Příspěvky: 24987
- Registrován: 30.05.2010 17:33
- Bydliště: exit 82 na D0
Re: Svetelny senzor a svetla denneho svietenia
neeeee, jemu budou H7 sviti porad (pouziva je na denni sviceni), takze v tunelu beze zmeny
Ford Focus mk3 combi 1.6 Ti-VCT, r.v.2018 + Ford Fiesta mk7 3D 1.25, r.v.2014
byl Ford Focus mk2 combi 1.6, r.v.2009 + Ford Fiesta mk6 1.4 TDCi r.v. 2004
Nejsem poradna, encyklopedie ani hotline spolecnosti Ford - ptejte se na foru, od toho je.
byl Ford Focus mk2 combi 1.6, r.v.2009 + Ford Fiesta mk6 1.4 TDCi r.v. 2004
Nejsem poradna, encyklopedie ani hotline spolecnosti Ford - ptejte se na foru, od toho je.
-
pavel 1.6
- Nováček

- Příspěvky: 120
- Registrován: 18.01.2014 13:43
Re: Svetelny senzor a svetla denneho svietenia
Používám trvale světla v poloze AUTO,tak bych chtěl simulovat jejich opožděné zapnutí do této polohy.
Ford Focus II 1,6 16V Titanium 5dv., r.v. 2008
-
stano.
- Člen klubu

- Příspěvky: 13642
- Registrován: 18.07.2011 19:55
Re: Svetelny senzor a svetla denneho svietenia
Preskumat spinac svetiel. A napriklad polohu parkovaciek (zatlacit a dolava) vyuzit na spinanie AUTO cez oneskorovacue rele.
-
pavel 1.6
- Nováček

- Příspěvky: 120
- Registrován: 18.01.2014 13:43
Re: Svetelny senzor a svetla denneho svietenia
Schemata Focus 2009 str.60 napětí od přepínače v poloze AUTO do gemu-AUTOLAMP OR DTRL INDICATOR-ten drát chci vyzkoušet připojovat opožděně.
Ford Focus II 1,6 16V Titanium 5dv., r.v. 2008
-
pavel 1.6
- Nováček

- Příspěvky: 120
- Registrován: 18.01.2014 13:43
Re: Svetelny senzor a svetla denneho svietenia
Tak odskoušeno a funguje to.V poloze AUTO světla spínají až po nastartování,ostatní polohy zůstaly
stejně.Chce to komparátor-krabičku,co spíná nad 13V a relátko.Všechno se dá připojit na konektor do přepínače světel.
+12V=zeleno-černý drát
kostra=černý drát
zeleno-červený drát přerušit a vložit kontakty relé.
stejně.Chce to komparátor-krabičku,co spíná nad 13V a relátko.Všechno se dá připojit na konektor do přepínače světel.
+12V=zeleno-černý drát
kostra=černý drát
zeleno-červený drát přerušit a vložit kontakty relé.
Ford Focus II 1,6 16V Titanium 5dv., r.v. 2008
- tox232
- Nováček

- Příspěvky: 117
- Registrován: 22.05.2010 10:36
- Bydliště: Chomutov
- Kontaktovat uživatele:
Re: Svetelny senzor a svetla denneho svietenia
Mohl by jsi to více rozepsat? Jaké součástky jsi použil a nějaké schéma.pavel 1.6 píše:Tak odskoušeno a funguje to.V poloze AUTO světla spínají až po nastartování,ostatní polohy zůstaly
stejně.Chce to komparátor-krabičku,co spíná nad 13V a relátko.Všechno se dá připojit na konektor do přepínače světel.
+12V=zeleno-černý drát
kostra=černý drát
zeleno-červený drát přerušit a vložit kontakty relé.
Děkuji
Ford Focus II FL 1.6L 16V 74kW 03/11
-
pavel 1.6
- Nováček

- Příspěvky: 120
- Registrován: 18.01.2014 13:43
Re: Svetelny senzor a svetla denneho svietenia
Jakékoli spínací relé +12V/10A-já použil fordí z vrakáče.
DRL modul-komparátor jsem si vyrobil,ale dá se koupit pod tímto názvem.
Schemata Focus 2009 strana 60 přepínač světel.
Napájení modulu kdekoli za druhou polohou klíčku a kostra.Pro jednoduchost jsem vše vzal z konektoru přepínače světel:
+12V=zeleno-černý drát
kostra=černý drát
DRL modul připojený na tohle napětí pak ovládá relé.
zeleno-červený drát v konektoru přepínače přerušit-roztřihnout a vložit kontakty relé.
To pak sepne až po nastartování-nárůst napětí nad +13V.
Schema později.
DRL modul-komparátor jsem si vyrobil,ale dá se koupit pod tímto názvem.
Schemata Focus 2009 strana 60 přepínač světel.
Napájení modulu kdekoli za druhou polohou klíčku a kostra.Pro jednoduchost jsem vše vzal z konektoru přepínače světel:
+12V=zeleno-černý drát
kostra=černý drát
DRL modul připojený na tohle napětí pak ovládá relé.
zeleno-červený drát v konektoru přepínače přerušit-roztřihnout a vložit kontakty relé.
To pak sepne až po nastartování-nárůst napětí nad +13V.
Schema později.
Ford Focus II 1,6 16V Titanium 5dv., r.v. 2008
-
pavel 1.6
- Nováček

- Příspěvky: 120
- Registrován: 18.01.2014 13:43
Re: Svetelny senzor a svetla denneho svietenia
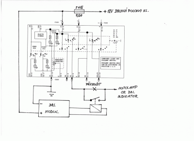
Schema:
Ford Focus II 1,6 16V Titanium 5dv., r.v. 2008
- tox232
- Nováček

- Příspěvky: 117
- Registrován: 22.05.2010 10:36
- Bydliště: Chomutov
- Kontaktovat uživatele:
Re: Svetelny senzor a svetla denneho svietenia
Ford Focus II FL 1.6L 16V 74kW 03/11
-
pavel 1.6
- Nováček

- Příspěvky: 120
- Registrován: 18.01.2014 13:43
Re: Svetelny senzor a svetla denneho svietenia
Tohle je přímo k tomu určeno:
https://www.aliexpress.com/item/DRL-Con ... 190660c26e
https://www.aliexpress.com/item/DRL-Con ... 190660c26e
Ford Focus II 1,6 16V Titanium 5dv., r.v. 2008
Kdo je online
Uživatelé prohlížející si toto fórum: Žádní registrovaní uživatelé a 1 host

