Tempomat
- Anduril
- Test driver

- Příspěvky: 5096
- Registrován: 07.11.2009 16:56
- Bydliště: Ostrava
Re: Tempomat
Zalezi na koho narazis. Jezdim do Fordu na servis, se vsim, a jejich pristup byl vzdy velmi vstricny a vyhoveli mi i s takovyma hovadinama, jako je aktivace nejakych "nemoznych" funkci. A cenove se to skoro nebo vubec nelisi od neoriginalnich servisu. Dokonce mnoho veci mi udelali zadarmo, protoze tam jezdim na servisni prohlidky.
-
KUTY
Re: Tempomat
a prave o tom to je...ako ked pride pipina na doliatie kvapaliny do ostrekovacov a obskakuju okolo nej, pretoze sa nevyzna a zaplati aj umytie celneho sklaAnduril píše:...protoze tam jezdim na servisni prohlidky.
snad sa ti budu takto venovat aj po skonceni zaruky...
- Anduril
- Test driver

- Příspěvky: 5096
- Registrován: 07.11.2009 16:56
- Bydliště: Ostrava
Re: Tempomat
jasne ze budou, budu tam jezdit menit olej i po skonceni zaruky (mam uz stejne ale jen Ford Protect) pokud jeste auto budu mit a jsou tam proste takovi lide, to uz je vyzkousene. Nevim, proc bych se mel zabyvat nejakym jinym neoriginalnim servisem, kdyz jsem spokojen a nestoji me to ani o nic moc vice..
- Giggo
- Zkušený

- Příspěvky: 1215
- Registrován: 06.02.2011 09:43
- Bydliště: Praha
Re: Tempomat
Zbytečně se tu nedohadujte stejně je to topic o tempomatech 
V servisech jako všude jinde je to o lidech, takže i origo servis někde zkusí něco a vyhoví Ti někde ne. Neorigo zkusí lecos, protože nějaký kšefty brát musí.
Rudko.f K Tvojí aktualizaci příspěvku. Zkus nejen aktualizovat, ale i číst. Odpovídali sme Ti hned pod tvým příspěvkem.
Evil_666 Kdybys nikde nic nenašel, tak si udělej výlet do krásný historický Třebíče, tam Ti to klidně domluvím.
V servisech jako všude jinde je to o lidech, takže i origo servis někde zkusí něco a vyhoví Ti někde ne. Neorigo zkusí lecos, protože nějaký kšefty brát musí.
Rudko.f K Tvojí aktualizaci příspěvku. Zkus nejen aktualizovat, ale i číst. Odpovídali sme Ti hned pod tvým příspěvkem.
Evil_666 Kdybys nikde nic nenašel, tak si udělej výlet do krásný historický Třebíče, tam Ti to klidně domluvím.
Mondik IV. 2011 2.0 TDCi 120kW
dříve FoFo II. 2006 1.6 TDCi 80kW@106kW
dříve FoFo II. 2006 1.6 TDCi 80kW@106kW
- rudko.f
- Nováček

- Příspěvky: 71
- Registrován: 14.07.2009 21:12
- Bydliště: Ružomberok
Re: Tempomat
Dakujem za odpoved,Giggo píše:Rudko.f K Tvojí aktualizaci příspěvku. Zkus nejen aktualizovat, ale i číst. Odpovídali sme Ti hned pod tvým příspěvkem.
cital som aj to co si odpisal, kde si akurat skonstatoval ze obrazok s typmi GEMov je vlastne na prd, lebo ide spojazdnit aj ine verzie...
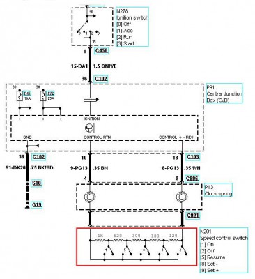
a postak napisal nech si skontrolujem osadenie pinu C103 a zavedenie kablov az pod volant.
kedze som si neni isty co vsetko tym myslel tak som urobil nejake foto...
- Giggo
- Zkušený

- Příspěvky: 1215
- Registrován: 06.02.2011 09:43
- Bydliště: Praha
Re: Tempomat
Ah ok, to promiň.
Osazení pinů na konektoru C103 poznáš jen když odpojíš ten velkej "modrej" kabel a pod ním najdeš piny, kterýžto sou buď obsazený nebo prázdný.
Kabely pod volant sou OK.
Takže tempomat by Ti na 90% měl jít, stejně jako mě.
Osazení pinů na konektoru C103 poznáš jen když odpojíš ten velkej "modrej" kabel a pod ním najdeš piny, kterýžto sou buď obsazený nebo prázdný.
Kabely pod volant sou OK.
Takže tempomat by Ti na 90% měl jít, stejně jako mě.
Mondik IV. 2011 2.0 TDCi 120kW
dříve FoFo II. 2006 1.6 TDCi 80kW@106kW
dříve FoFo II. 2006 1.6 TDCi 80kW@106kW
- rudko.f
- Nováček

- Příspěvky: 71
- Registrován: 14.07.2009 21:12
- Bydliště: Ružomberok
Re: Tempomat
Takze C103 je ten velky modry konektor, nie kabel, ci? a ktore piny maju byt osadene, lebo tam ide hruby zvazok kablov, t.z. niektore su osadene.Giggo píše:Osazení pinů na konektoru C103 poznáš jen když odpojíš ten velkej "modrej" kabel a pod ním najdeš piny, kterýžto sou buď obsazený nebo prázdný.
- Giggo
- Zkušený

- Příspěvky: 1215
- Registrován: 06.02.2011 09:43
- Bydliště: Praha
Re: Tempomat
JJ je to ten velkej modrej konektor do kterýho vede hafo kabelů. Tempomatový piny mají čísla 10 a 18. Někde tu byla i fotka toho, bohužel né v tomto topicu takže se mi nedaří ju najít 
Mondik IV. 2011 2.0 TDCi 120kW
dříve FoFo II. 2006 1.6 TDCi 80kW@106kW
dříve FoFo II. 2006 1.6 TDCi 80kW@106kW
- postak
- Test driver

- Příspěvky: 2143
- Registrován: 22.11.2008 15:55
- Bydliště: Třinec
Re: Tempomat
rudko.f tady je pojistkovka, která se nachází pod nohama spolujezdce http://www.ford-focus.cz/forum/viewtopi ... 35#p563439
Drží ji jakoby 2 křídlové matice, které povolíš a vyklopíš celý GEM s pojistkama. Ten kabel v konektoru C103 na kterém potřebuješ zkontrovlovat piny 10 a 18 je úplně vlevo viz. foto
Držím ti pěsti aby ti to vyšlo

Drží ji jakoby 2 křídlové matice, které povolíš a vyklopíš celý GEM s pojistkama. Ten kabel v konektoru C103 na kterém potřebuješ zkontrovlovat piny 10 a 18 je úplně vlevo viz. foto
Držím ti pěsti aby ti to vyšlo
- rudko.f
- Nováček

- Příspěvky: 71
- Registrován: 14.07.2009 21:12
- Bydliště: Ružomberok
Re: Tempomat
Pozri sa prosim na moje foto na strane 32 (co je GEM som uz pochopil aj nasielpostak píše:rudko.f tady je pojistkovka, která se nachází pod nohama spolujezdce http://www.ford-focus.cz/forum/viewtopi ... 35#p563439
Drží ji jakoby 2 křídlové matice, které povolíš a vyklopíš celý GEM s pojistkama. Ten kabel v konektoru C103 na kterém potřebuješ zkontrovlovat piny 10 a 18 je úplně vlevo viz. foto
Držím ti pěsti aby ti to vyšlo![]()
- postak
- Test driver

- Příspěvky: 2143
- Registrován: 22.11.2008 15:55
- Bydliště: Třinec
Re: Tempomat
Je to ten úplně vlevo, který jsem ti poslal já, ne ten největší, který sis asi myslel že to je
A kabely pod volantem taky máš, je to ten bílý a hnědý, pin 4 a 5, a GEM máš CF, já mysllím, že to půjde, takže sežeň volant, vytiskni návod, zajeď k dealerovi Ford a máš tempomat. To si myslím já
A ty piny jsou označené vždy na krajích, takže pin 1 najdeš pin 10 a 18 odpočítáš
A kabely pod volantem taky máš, je to ten bílý a hnědý, pin 4 a 5, a GEM máš CF, já mysllím, že to půjde, takže sežeň volant, vytiskni návod, zajeď k dealerovi Ford a máš tempomat. To si myslím já
A ty piny jsou označené vždy na krajích, takže pin 1 najdeš pin 10 a 18 odpočítáš
- Giggo
- Zkušený

- Příspěvky: 1215
- Registrován: 06.02.2011 09:43
- Bydliště: Praha
Re: Tempomat
Rudko.F jj je to ten uplně vlevo. Já se omlouvám za mistifikaci s tím největším. Už je dotáhnout jak pise Postak a ejnoy 
Mondik IV. 2011 2.0 TDCi 120kW
dříve FoFo II. 2006 1.6 TDCi 80kW@106kW
dříve FoFo II. 2006 1.6 TDCi 80kW@106kW
- Samantus
- Junior

- Příspěvky: 294
- Registrován: 02.02.2008 03:18
- Bydliště: Choltice-Svincany
Re: Tempomat
tak sem si to tady trochu procetl a znova pro blby opakuji: TO JESTLI VASE AUTO MA PALUBAK NEBO NE JE GLANCPRDEL, NA ZPROVOZNENI TEMPOMATU TO NEMA VLIV!!!!!!!
jinak pokud probehne programovani zejmena PCM a GEM, tak mate vyhrano, pokud to selze pri programovani IC, tedy budiku, tak se Vam akorat nebude rozsvecet kontrolka, jinak vse makat bude..... tot vse..
pokud se uspesne nenaprogramuje GEM tak jste v hajzlu a zkusit sehnat jinej..
pokud probehne cely programovani a tempomat stejne nejede, tak neni osazena kabelaz tempomatu a to ten bilej a hnedej kabel.....
jak se jinak mate?
me ty koncernovy kramy desne serou, ja chci zpet k fordu!!!

jinak pokud probehne programovani zejmena PCM a GEM, tak mate vyhrano, pokud to selze pri programovani IC, tedy budiku, tak se Vam akorat nebude rozsvecet kontrolka, jinak vse makat bude..... tot vse..
pokud se uspesne nenaprogramuje GEM tak jste v hajzlu a zkusit sehnat jinej..
pokud probehne cely programovani a tempomat stejne nejede, tak neni osazena kabelaz tempomatu a to ten bilej a hnedej kabel.....
jak se jinak mate?
Martin
Ford Focus Combi 2016 1.6 Ti-VCT
Ford Focus CC 2006 1.6i
Ford Focus Combi 2016 1.6 Ti-VCT
Ford Focus CC 2006 1.6i
- postak
- Test driver

- Příspěvky: 2143
- Registrován: 22.11.2008 15:55
- Bydliště: Třinec
Re: Tempomat
To je náhodička Samantusi
Nechceš se přijet podívat do Slezska
Do Třince
Za postakem
Dneska tady začíná rockový festival "Noc plná hvězd" můžeš tady přespat, zakalíme a přijednom vem sebou IDSku (nekdě splaš) a můžeš se mi podívat na tempomat
Jezdím jako blb
už 2 měsíce s volantem s tempomatem a pořád to nefičí. U mě je stav takový, že už neřeším nic zhruba 1 a půl. Mám v plánu ještě navštívit kámoše ve Fordu a zkusit ještě jednou IDS.
A co se týče mě, tak podle vyjádření technika z Fordu, ve kterém mi to dělali, tak je to vše povoleno a nejede to. Co se týče kabelu, tak ty mám na 100% v pořádku, protože jsem použil ohmmetr, vytáhnul konektor C103 z GEMu napíchl piny 10 a 18 a mačkal jsem tlačítka, a odpory jsou v pořádku podle schématu tempomatu, viz. hodnoty v červeném poli.
Samantusi nemůže mi v GEMu chybět nějaká pojistka nebo relátko
Není i tohle možnost 
Jezdím jako blb
A co se týče mě, tak podle vyjádření technika z Fordu, ve kterém mi to dělali, tak je to vše povoleno a nejede to. Co se týče kabelu, tak ty mám na 100% v pořádku, protože jsem použil ohmmetr, vytáhnul konektor C103 z GEMu napíchl piny 10 a 18 a mačkal jsem tlačítka, a odpory jsou v pořádku podle schématu tempomatu, viz. hodnoty v červeném poli.
Samantusi nemůže mi v GEMu chybět nějaká pojistka nebo relátko
-
MK2
- Test driver

- Příspěvky: 4585
- Registrován: 01.09.2008 20:30
- Bydliště: Kolín, Nedašov
Re: Tempomat
Chci ten tempomat na dálkovém ovladači radia, kdo mi to zprovozní
Já se f tom nebudu rýpat
Já se f tom nebudu rýpat
2012 Mazda 3 2.0DISI 111kW
Kdo je online
Uživatelé prohlížející si toto fórum: Žádní registrovaní uživatelé a 2 hosti



