Vyhřívání předního skla
- milford
- Junior

- Příspěvky: 245
- Registrován: 02.02.2008 03:18
- Bydliště: Prostějov
Re: Vyhrivane predni sklo
Pomohly.Alespoň jsem věděl co a jak.Ale ve Fordu ve Zlíně mě zblbli,že jsem nevěděl čí su.
Jinak jsem to zapojil,vyměnil vypínač a teď už jenom to sklo a hraju.Proud tam jde,tak je to OK 
-
nexpetr
- Nováček

- Příspěvky: 14
- Registrován: 20.04.2008 22:29
- Bydliště: Karviná
Re: Vyhrivane predni sklo
Chceš tím říct že u tvé Ghie r.v.99 je příprava na vyhřívané sklo a u mého Focusu r.v.10/02 ne?

Ford Focus Combi 1.8 TDCi, 11/2002,Stříbrný
-
chmelko
- Test driver

- Příspěvky: 9134
- Registrován: 02.02.2008 03:18
- Bydliště: Jablonec nad Nisou
Re: Vyhrivane predni sklo
nexpetr:a čo tým chceš povedat?
1/ ghia vybava mala byt v podstate ta naj, takže cela kabelaž bola unifikovana na max.vybavu
2/každým rokom u konkretneho projektu,modelu su povinne tzv.cost savings..redukcie nakladov a šetrí sa skutočne na všetkom nepotrebnom, takže zbytočna kabelaž a konektory su prve na rane a po FL boli tieto kroky 100% učinene
1/ ghia vybava mala byt v podstate ta naj, takže cela kabelaž bola unifikovana na max.vybavu
2/každým rokom u konkretneho projektu,modelu su povinne tzv.cost savings..redukcie nakladov a šetrí sa skutočne na všetkom nepotrebnom, takže zbytočna kabelaž a konektory su prve na rane a po FL boli tieto kroky 100% učinene
- milford
- Junior

- Příspěvky: 245
- Registrován: 02.02.2008 03:18
- Bydliště: Prostějov
Re: Vyhrivane predni sklo
Příprava tam je.Jak konektory na relé,tak kabeláž ke sklu
-
nexpetr
- Nováček

- Příspěvky: 14
- Registrován: 20.04.2008 22:29
- Bydliště: Karviná
Re: Vyhrivane predni sklo
Ale je to bordel že u o 3 roky mladšího vozu(fofo) se na to už vysraly

Ford Focus Combi 1.8 TDCi, 11/2002,Stříbrný
- kemo
- Junior

- Příspěvky: 208
- Registrován: 14.02.2008 11:36
- Bydliště: Praha 5
Re: Vyhrivane predni sklo
Zase ne všude. Já přípravu - konektor v půlce skla a kontakty v pojistkové skříni v motoru mám.
-
Bubo
- Nováček

- Příspěvky: 17
- Registrován: 25.04.2008 04:05
- Bydliště: Bílina
Re: Vyhrivane predni sklo
Tak dneska mi př.sklo prasklo v mrazu úplně. Chci dát vyhřívaný u FFI po FL, přípravu ale nemám. V pojistkách žádné patice, jenom díra.
1) Je možné dolpnit pouze patice po relé, a nějak zapojit (nevim ale jak), nebo vyměnit celou pojistkovou skříňku včetně kabeláže? Chci aby alespoň pojistky a rele vypadaly jako origo.
2) Vypínač mám již zapojený, vše ostatní funguje normálně, pouze kontrolka vyhř.př.skla nereaguje, ale to je asi spojené s pojistkou nebo konektorem? Nebo tam chybí pouze kus kabeláže? Pokud ano, tak kde?
Elektrikář u forda říkal, že to vyhřívání ovládá pouze časové relé, počítač prý ne. Tak nevim.
Vlákno jsem pročetl celé. Dík za jakoukoli radu.
1) Je možné dolpnit pouze patice po relé, a nějak zapojit (nevim ale jak), nebo vyměnit celou pojistkovou skříňku včetně kabeláže? Chci aby alespoň pojistky a rele vypadaly jako origo.
2) Vypínač mám již zapojený, vše ostatní funguje normálně, pouze kontrolka vyhř.př.skla nereaguje, ale to je asi spojené s pojistkou nebo konektorem? Nebo tam chybí pouze kus kabeláže? Pokud ano, tak kde?
Elektrikář u forda říkal, že to vyhřívání ovládá pouze časové relé, počítač prý ne. Tak nevim.
Vlákno jsem pročetl celé. Dík za jakoukoli radu.
historie: Ford Focus Combi 1.6 16v/74Kw/2002/Světle modrá +lpg
současnost: Ford Focus Combi 1.8 TDDI/2002/Světle šedá
současnost: Ford Focus Combi 1.8 TDDI/2002/Světle šedá
- foki
- Admin

- Příspěvky: 19243
- Registrován: 02.02.2008 03:18
- Bydliště: České Budějovice
- Kontaktovat uživatele:
Re: Vyhrivane predni sklo
no ono je to trochu slozitejsi nez si myslis .Bubo píše:Tak dneska mi př.sklo prasklo v mrazu úplně. Chci dát vyhřívaný u FFI po FL, přípravu ale nemám. V pojistkách žádné patice, jenom díra.
1) Je možné dolpnit pouze patice po relé, a nějak zapojit (nevim ale jak), nebo vyměnit celou pojistkovou skříňku včetně kabeláže? Chci aby alespoň pojistky a rele vypadaly jako origo.
2) Vypínač mám již zapojený, vše ostatní funguje normálně, pouze kontrolka vyhř.př.skla nereaguje, ale to je asi spojené s pojistkou nebo konektorem? Nebo tam chybí pouze kus kabeláže? Pokud ano, tak kde?
Elektrikář u forda říkal, že to vyhřívání ovládá pouze časové relé, počítač prý ne. Tak nevim.
Vlákno jsem pročetl celé. Dík za jakoukoli radu.
Odpovědi lehké - 100,- Kč
Odpovědi, při kterých
se musí myslet - 240,- Kč
Vážné odpovědi - 340,- Kč
Odpovědi na hloupé
a zbytečné otázky - 400,- Kč
specialní sazba :
otázka, na kterou jsem už dříve odpověděl - 500 Kč
Odpovědi, při kterých
se musí myslet - 240,- Kč
Vážné odpovědi - 340,- Kč
Odpovědi na hloupé
a zbytečné otázky - 400,- Kč
specialní sazba :
otázka, na kterou jsem už dříve odpověděl - 500 Kč
-
chmelko
- Test driver

- Příspěvky: 9134
- Registrován: 02.02.2008 03:18
- Bydliště: Jablonec nad Nisou
Re: Vyhrivane predni sklo
tak neverim ,že si to vlakno prečítal...
inak ma pobavila veta " Vypínač mám již zapojený, vše ostatní funguje normálně, pouze kontrolka vyhř.př.skla nereaguje, ale to je asi spojené s pojistkou nebo konektorem? Nebo tam chybí pouze kus kabeláže"
to bolo fakt dobe...myslíš,že to funguje na infra povely?
inak ma pobavila veta " Vypínač mám již zapojený, vše ostatní funguje normálně, pouze kontrolka vyhř.př.skla nereaguje, ale to je asi spojené s pojistkou nebo konektorem? Nebo tam chybí pouze kus kabeláže"
to bolo fakt dobe...myslíš,že to funguje na infra povely?
- Jemar
- Zkušený

- Příspěvky: 1700
- Registrován: 02.02.2008 03:18
- Bydliště: čáslavsko
Re: Vyhrivane predni sklo
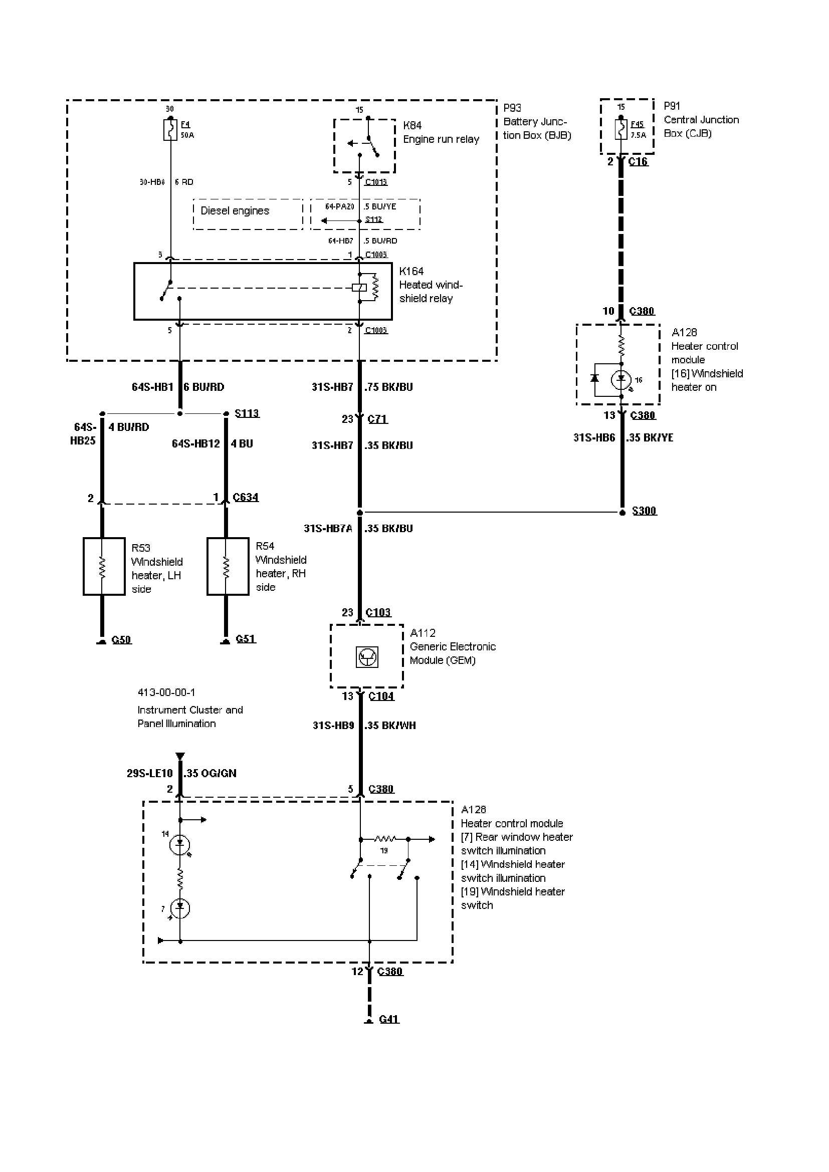
Opravdu to není až tak jednoduchý:
-
Bubo
- Nováček

- Příspěvky: 17
- Registrován: 25.04.2008 04:05
- Bydliště: Bílina
Re: Vyhrivane predni sklo
Jsem rád, že ses pobavil.
Chtěl jsem jen říct, že ostatní tlačítka fungujou normálně. Je mi jasný že to přední fungovat zatím nemůže, že tam chybí kabely, pojistky, relé....
Schema je dobré, dík. Nevíš ale odkud kam, na kterých konektorech to najdu? Které kabely ještě (kromě okno-pojisková skříň) je potřeba doplnit?
Chtěl jsem jen říct, že ostatní tlačítka fungujou normálně. Je mi jasný že to přední fungovat zatím nemůže, že tam chybí kabely, pojistky, relé....
Schema je dobré, dík. Nevíš ale odkud kam, na kterých konektorech to najdu? Které kabely ještě (kromě okno-pojisková skříň) je potřeba doplnit?
historie: Ford Focus Combi 1.6 16v/74Kw/2002/Světle modrá +lpg
současnost: Ford Focus Combi 1.8 TDDI/2002/Světle šedá
současnost: Ford Focus Combi 1.8 TDDI/2002/Světle šedá
- Jemar
- Zkušený

- Příspěvky: 1700
- Registrován: 02.02.2008 03:18
- Bydliště: čáslavsko
Re: Vyhrivane predni sklo
To nevím , já mám vyhřívaný okno z výroby (před FL).Bubo píše:Schema je dobré, dík. Nevíš ale odkud kam, na kterých konektorech to najdu? Které kabely ještě (kromě okno-pojisková skříň) je potřeba doplnit?
-
Bubo
- Nováček

- Příspěvky: 17
- Registrován: 25.04.2008 04:05
- Bydliště: Bílina
Re: Vyhrivane predni sklo
Vyhřívané sklo budu 100% dávat. Našel by se někdo, kdo to už zapojoval? Případně mi s tím pomohl, nebo udělal?
historie: Ford Focus Combi 1.6 16v/74Kw/2002/Světle modrá +lpg
současnost: Ford Focus Combi 1.8 TDDI/2002/Světle šedá
současnost: Ford Focus Combi 1.8 TDDI/2002/Světle šedá
-
Bubo
- Nováček

- Příspěvky: 17
- Registrován: 25.04.2008 04:05
- Bydliště: Bílina
Re: Vyhrivane predni sklo
Když to nepůjde jinak, tak to udělám "homebastl", na samostatný vypínač. Sklo už mám objednaný.
historie: Ford Focus Combi 1.6 16v/74Kw/2002/Světle modrá +lpg
současnost: Ford Focus Combi 1.8 TDDI/2002/Světle šedá
současnost: Ford Focus Combi 1.8 TDDI/2002/Světle šedá
-
chmelko
- Test driver

- Příspěvky: 9134
- Registrován: 02.02.2008 03:18
- Bydliště: Jablonec nad Nisou
Re: Vyhrivane predni sklo
držím palce, a určo napíš ako si dopadol, hlavne pozor na prepalene draty a skraty 
Kdo je online
Uživatelé prohlížející si toto fórum: Žádní registrovaní uživatelé a 1 host




