Tak to ti závidím !!! Já už od září řeším studený motor a nic. Dudík si s tím hrál střídavě 2-3 měsíce - vždy jsem to dva dny testoval - a nic. Stále studený motor pokuckává, pokud nastartuju a nechám volnoběh, tak 2 - 3 chcípne. Kontrolky po chcípnutí nesvítí žádné, diagnostika nic nehlásí. Jak jsem tu psal - vstřiky měněny za starší (asi je tam máš teď tyabe píše:Zkoušel jsem auto týden, ať zas nepíšu že je vše v pořádku a ona se mi ta chyba se startováním vrátí. Takže dnes můžu potvrdit že se startováním nemám chvála bohu problémhurá
......
Studený motor
- opicak
- Junior

- Příspěvky: 342
- Registrován: 02.02.2008 03:18
- Bydliště: Ostrava
focus 1.8 TDCi 85kW kombi,rok výroby 2002, výbava GHIA


- bluetoooth
- Junior

- Příspěvky: 274
- Registrován: 02.02.2008 03:18
- Bydliště: BA, DK
- Jozkablack
- Test driver

- Příspěvky: 2851
- Registrován: 02.02.2008 03:18
- Bydliště: Praha 6
- Kontaktovat uživatele:
Jamaka: Myslíš jako že by měli tlaky v háji?? Na to by přece museli v servisech přijít, nebo ne? Z tohodle vážně kouká nějaký čidlo. Nedávno jsem byl u Makra a jdu zrovna kolem Tdci teplota -3°C a chlap ho nastartoval až na počtvrtý a předpokládám že tam nestálo přes noc, když bylo u Makra. Ani se nedivym že je opicak tak otrávenej, mě kdyby tohle dělal Focus tak nevim. Mě nasere i stará Fiesta D která v -5 startuje 10sekund a má najeto 250.000km, ale chytne a už nechcípne. A Focus? Zrovna dneska ráno strat po 5ti dnech jsem sice v Praze, ale na Petřinách, takže teploty v noci -7 až -8 a přes den tak -2 a na první nažhavení, ihned po zhasnutí kontrolky start a chyt jak v létě a ihned jde klidně, žádný hádání se. Prostě bych hledal chybu v elektrice, tohle nastartování a hned chcípnutí je divný.
Ford Focus combi, 1.8TDDI, 66KW, 03, červená sériovka kromě alu kol a folií 35%-15%-5%
Renault Megane 1.6 benál, 5dv, 1996
Nálevna U Velasů: https://www.restauraceuvelasu.freepage.cz/onas/
Renault Megane 1.6 benál, 5dv, 1996
Nálevna U Velasů: https://www.restauraceuvelasu.freepage.cz/onas/
- pelen
- Test driver

- Příspěvky: 9259
- Registrován: 02.02.2008 03:18
- Bydliště: Nový Jičín
- Kontaktovat uživatele:
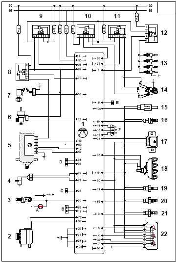
Selskym rozumem muze byt vadne:
1) ridici jednotka
2) nektere z cidel potrebne pro chod motoru
3) propojeni mezi cidly a ridici jednotkou - kabely, konektory, zvysena vlhkost
Chtelo by to sehnat pro TDCi neco podobneho jako pro TDDi:
1) ridici jednotka
2) nektere z cidel potrebne pro chod motoru
3) propojeni mezi cidly a ridici jednotkou - kabely, konektory, zvysena vlhkost
Chtelo by to sehnat pro TDCi neco podobneho jako pro TDDi:
- Přílohy
-
- TDDi 2.jpg (13.9 KiB) Zobrazeno 1701 x
-
- TDDi 1.jpg
- (37.56 KiB) Staženo 278 x
- jamaka
- Test driver

- Příspěvky: 2509
- Registrován: 02.02.2008 03:18
- Bydliště: Slovakia
-
chylo
- Nováček

- Příspěvky: 98
- Registrován: 02.02.2008 03:18
Inak skuste tam natankovat Shell power diesel. Mne sice FOFO strtuje aj na normalny diesel na prvy sup ale je citit ze je to take tazkopadnejsie. Teraz som tam omylom natankoval power a je poznat rozdiel. Startuje ako v lete ked je +30. Normalne som ostal prekvapeny. Mozno vam to niektorym pomoze.
FOFO 1.8 Tdci 74 kW r.v. 2004
- abe
- Junior

- Příspěvky: 201
- Registrován: 02.02.2008 03:18
- Bydliště: Bohumin
- opicak
- Junior

- Příspěvky: 342
- Registrován: 02.02.2008 03:18
- Bydliště: Ostrava
Tak já skoro 100000 km (chystám se udělat památeční snímeček), ale na 100% je to jen iluze. tipoval bych to n a nejmíň 150000 km. Jen pro upřesnění - já mám starty taky naprosto v pohodě. Vždy po jednom nažhavení motor do 5 vteřin bublá! Je fakt, že pořádný mráz ještě nebyl. To, co vyvádí jak chytne je už méně veselejší. 
focus 1.8 TDCi 85kW kombi,rok výroby 2002, výbava GHIA


- Lesi
- Nováček

- Příspěvky: 126
- Registrován: 02.02.2008 03:18
- Bydliště: 7S9....
Pro Opicak.. Já měl zatím nejstudenější start dnes v -8 a do vteřiny, běží. Táta vedle z HDIčkem bojoval, až na potřetí.. Ale na ropáky mám stejný názor, který si psal předtím
3dv. focuse jsem chtěl vždycky, ale TDCI jsem nikdy nesháněl byla to spíš náhoda. Jo také se mi, ale jednou stalo, že chytil a hned chcípnul, to jsem koukal
Raději jsem vyměnil palivovej filtr a leju zimní adetivum od VIF, od té doby nic, zatím.. Ale to tobě asi nepomůže
Kamarád má služebního Fjužna 1.8TDCI(nevím jak se to píše
) má poctivejch 170 000km, prej bez problému startuje, teď mi volal, tak jsem se optal.
- opicak
- Junior

- Příspěvky: 342
- Registrován: 02.02.2008 03:18
- Bydliště: Ostrava
Nechci tě strašit a určitě to nikomu nepřeju, ale takhle to začalo u mě. Cesta do Chorvatska, bez problémů 1100km, den pauza, pak start a vzápětí chcípnutí. Nějak jsem to přešel a neřešil.Pak celou dovolenou klid, po cestě zpět jedno malé škubnutí motoru za jízdy u Rohlenky. Pak doma po dvoudenní pauze nastaly problémy. 5x startnutí - chcípnutí, škubání atd, atd . A máme skoro vánoce a problém nenalezen. Zimní VIF tam leju taky a Shell power diesel, ale problém je někde jinde.Lesi píše:.... Jo také se mi, ale jednou stalo, že chytil a hned chcípnul, to jsem koukalRaději jsem vyměnil palivovej filtr a leju zimní adetivum od VIF, od té doby nic, zatím.. Ale to tobě asi nepomůže
...
focus 1.8 TDCi 85kW kombi,rok výroby 2002, výbava GHIA


- karolkopictures
- Zkušený

- Příspěvky: 1989
- Registrován: 02.02.2008 03:18
- Bydliště: Morovno,Trenčianský kraj,SR
Kdo je online
Uživatelé prohlížející si toto fórum: Žádní registrovaní uživatelé a 5 hostů







