Nefunkční ESP
-
stano.
- Člen klubu

- Příspěvky: 13652
- Registrován: 18.07.2011 19:55
Re: Nefunkční ESP
To neviem, ale je to mozne. Nech sa vyjadria skusenejsi. Nehadze to aj inu chybu brdoveho systemu?
Ak ma brzdovka viac ako 2 roky tak musi ist nova! Uz len z hladiska bezpecnosti, ma nizsi bod varu kvoli necistotam a nasiaknutej vode. Mozno aj preto ti to hadze chyby. Potom pozor, pouzi taku, ktora vyhovuje specifikacii pre tvoje auto. Na jednom aute (octavia,laguna?) som videl vypadavajuce ESP kvoli tomu, ze sice tam naliali DOT4, ale so zlou specifikaciou, (vraj) prilis hustu, a ESP to nejako nepobralo.
Ak ma brzdovka viac ako 2 roky tak musi ist nova! Uz len z hladiska bezpecnosti, ma nizsi bod varu kvoli necistotam a nasiaknutej vode. Mozno aj preto ti to hadze chyby. Potom pozor, pouzi taku, ktora vyhovuje specifikacii pre tvoje auto. Na jednom aute (octavia,laguna?) som videl vypadavajuce ESP kvoli tomu, ze sice tam naliali DOT4, ale so zlou specifikaciou, (vraj) prilis hustu, a ESP to nejako nepobralo.
-
guldamartin
- Nováček

- Příspěvky: 15
- Registrován: 21.06.2012 18:55
Re: Nefunkční ESP
To samé co já nedávno.Vadný snímač tlaku.Vyměnil jsem mechanickou část a funguje.Najdeš vše u mě v příspěvcích
Maňa píše:díky za odpověď ,jinak také se hlásím do klubu ESP fault. tento týden se mi při cestě domů z práce rozsvítila na palubce ESP fault .Svítilo mi to dva dny a pak bylo opravdu hezky a jednu jízdu mi to zaplo ESP a vše pracovalo jak má ,dokonce jsem ho dokázal vypnout a zase zapnout. Teď už zase svítí pořád. Je možné že to bude jen zaoxidovaný konektor? nebo jiná možnost.Jinak diagnostika ukázala Vadný snímač tlaku (číslo chyby nemám-diagnostika neukázala) .......
- lalinek
- Nováček

- Příspěvky: 151
- Registrován: 30.11.2011 17:26
- Bydliště: Kopřivnice
- Kontaktovat uživatele:
Re: Nefunkční ESP
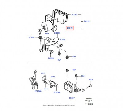
Dá se to koupit pouze jako díl 2B373 nebo to musím objednat vcelku jako díl 2M110.
(podle obrázku)
(podle obrázku)
1.6 Ti-VCT 85kw, 2005, Titanium, https://www.ford-focus.cz/forum/viewtopi ... 95&t=30866
-
guldamartin
- Nováček

- Příspěvky: 15
- Registrován: 21.06.2012 18:55
Re: Nefunkční ESP
Dá se to objednat jako samostatný díl.Někde ve vůláknu jsem psal přímo číslo dílu,které pomohlo závadu odstranit.díl 1692659
http://www.fordoriginalnidily.cz/index.php
http://www.fordoriginalnidily.cz/index.php
-
yoop
- Nováček

- Příspěvky: 180
- Registrován: 15.12.2008 15:04
- Bydliště: Kosice
Re: Nefunkční ESP
Ahojte. na otcovom Cmaxe nefunguhe ESP ( svieti kontorlka, ze nie je aktivne) vo forde povedali ze je chybne
Auto je 2006 1,6, TDci.
Mame jeden ESP modul komplet s ABS MODULOM. Ale servisak vo forde nie je si isty ci sa moze zamenit. lebo ze je z novsieho cmaxu ( asi facelift 2007 )
Nebol si isty. Vie niekto poradit ci to je jedno amoze sa zamenit. ? alebo treba presny diel ?
Na starom sa esp vypina cez tlacidlo a novise uz cez palubny pocitac.
Dakujem za pomoc.
Auto je 2006 1,6, TDci.
Mame jeden ESP modul komplet s ABS MODULOM. Ale servisak vo forde nie je si isty ci sa moze zamenit. lebo ze je z novsieho cmaxu ( asi facelift 2007 )
Nebol si isty. Vie niekto poradit ci to je jedno amoze sa zamenit. ? alebo treba presny diel ?
Na starom sa esp vypina cez tlacidlo a novise uz cez palubny pocitac.
Dakujem za pomoc.
-
guldamartin
- Nováček

- Příspěvky: 15
- Registrován: 21.06.2012 18:55
Re: Nefunkční ESP
ve Fordě musí vědět dle VIN
yoop píše:Ahojte. na otcovom Cmaxe nefunguhe ESP ( svieti kontorlka, ze nie je aktivne) vo forde povedali ze je chybne
Auto je 2006 1,6, TDci.
Mame jeden ESP modul komplet s ABS MODULOM. Ale servisak vo forde nie je si isty ci sa moze zamenit. lebo ze je z novsieho cmaxu ( asi facelift 2007 )
Nebol si isty. Vie niekto poradit ci to je jedno amoze sa zamenit. ? alebo treba presny diel ?
Na starom sa esp vypina cez tlacidlo a novise uz cez palubny pocitac.
Dakujem za pomoc.
-
yoop
- Nováček

- Příspěvky: 180
- Registrován: 15.12.2008 15:04
- Bydliště: Kosice
Re: Nefunkční ESP
No vo Forde bola ochota vymenit. len neboli si isty.. ono to asi sedi. je to rovnake.. len vedel ze je novsi model a atam je ina funkcnost (vypinanie cez menu a nie cez tlacidlo.) a nebol si isty. co nadelam... len takto sa mozem vyzvedat. 
- V12
- Test driver

- Příspěvky: 6102
- Registrován: 10.02.2010 22:59
- Bydliště: Soporna, SK
Re: Nefunkční ESP
Tak ked toto nevie autorizovany servis tak potom kua kto ??? Skusim zhnat VIN nejakeho C-Maxu s ESP a pozriem, ci sedi FINIS. Ak ano, musi to pasovat.
Napr. moj byvaly voz (FFII 2.0TDCI 11.5.2007) ma podla katalogu tuto vec zhodnu s aktualnym 2.0i 14.4.2005. Chalani, dajte nejaky VIN novsieho C-Maxu s ESP, nemam v zbierke ziadny taky
EDIT :
Uuuuz som nasiel (C-Max 2.0TDCI 16.4.2008) a dobra sprava - jedna sa o ten isty diel s kodom 2B373, FINIS 1692659, cena 4900 CzK bez DPH, cize nic katastroficke.
Som si na 99.9% isty, ze to bude normalne pasovat a fungovat.
Napr. moj byvaly voz (FFII 2.0TDCI 11.5.2007) ma podla katalogu tuto vec zhodnu s aktualnym 2.0i 14.4.2005. Chalani, dajte nejaky VIN novsieho C-Maxu s ESP, nemam v zbierke ziadny taky
EDIT :
Uuuuz som nasiel (C-Max 2.0TDCI 16.4.2008) a dobra sprava - jedna sa o ten isty diel s kodom 2B373, FINIS 1692659, cena 4900 CzK bez DPH, cize nic katastroficke.
Som si na 99.9% isty, ze to bude normalne pasovat a fungovat.
DV6 nie je motor. Ale sustava nahodne umiestnenych suciastok co vrcia a trasu sa a popritom zeru naftu...
Mondeo 2.5T Titanium SK
ZEM JE NASE IHRISKO
Mondeo 2.5T Titanium SK
ZEM JE NASE IHRISKO
-
muto33
- Nováček

- Příspěvky: 12
- Registrován: 11.02.2009 20:16
Re: Nefunkční ESP
Jen pro info.
Dnes mi přišel tento nový díl.Zítra se pokusím ho vyměnit a pak dam info jestli se povedlo nebo ne.
Takže výměna se podařila bez problemu.
Dnes mi přišel tento nový díl.Zítra se pokusím ho vyměnit a pak dam info jestli se povedlo nebo ne.
Takže výměna se podařila bez problemu.
- Přílohy
-
- esp-abs-montagehinweis-ford.pdf
- (671.03 KiB) Staženo 168 x
Naposledy upravil(a) muto33 dne 10.11.2012 22:00, celkem upraveno 4 x.
- lalinek
- Nováček

- Příspěvky: 151
- Registrován: 30.11.2011 17:26
- Bydliště: Kopřivnice
- Kontaktovat uživatele:
Re: Nefunkční ESP
No super, tak nám hned jeden pošli 
Já se snažil rozhodit sítě a psal jsem na několik autovraků. Z 15 se našel pouze 1 k,terý ho měl a chtěl ho střelit za 4000,- . Nechci nic zadarmo ale co je moc, to je příliš
Já se snažil rozhodit sítě a psal jsem na několik autovraků. Z 15 se našel pouze 1 k,terý ho měl a chtěl ho střelit za 4000,- . Nechci nic zadarmo ale co je moc, to je příliš
1.6 Ti-VCT 85kw, 2005, Titanium, https://www.ford-focus.cz/forum/viewtopi ... 95&t=30866
-
yoop
- Nováček

- Příspěvky: 180
- Registrován: 15.12.2008 15:04
- Bydliště: Kosice
Re: Nefunkční ESP
V12 píše:Tak ked toto nevie autorizovany servis tak potom kua kto ??? Skusim zhnat VIN nejakeho C-Maxu s ESP a pozriem, ci sedi FINIS. Ak ano, musi to pasovat.
Napr. moj byvaly voz (FFII 2.0TDCI 11.5.2007) ma podla katalogu tuto vec zhodnu s aktualnym 2.0i 14.4.2005. Chalani, dajte nejaky VIN novsieho C-Maxu s ESP, nemam v zbierke ziadny taky
EDIT :
Uuuuz som nasiel (C-Max 2.0TDCI 16.4.2008) a dobra sprava - jedna sa o ten isty diel s kodom 2B373, FINIS 1692659, cena 4900 CzK bez DPH, cize nic katastroficke.
Som si na 99.9% isty, ze to bude normalne pasovat a fungovat.
Ahoj Viete sa pozriet na nas C-max WFoMXXGCDM6L77129 je tam taketo cislo C1288-EO-ABS.. a ide o vozidlo
C-Max 1,6 TCDI 66 Kw (2006) .
ci z rocnika 2007-200x tam pasuje ?
dakujem za pomoc.
-
guldamartin
- Nováček

- Příspěvky: 15
- Registrován: 21.06.2012 18:55
Re: Nefunkční ESP
Určitě.Mám to samé,ale v benzinu
yoop píše:V12 píše:Tak ked toto nevie autorizovany servis tak potom kua kto ??? Skusim zhnat VIN nejakeho C-Maxu s ESP a pozriem, ci sedi FINIS. Ak ano, musi to pasovat.
Napr. moj byvaly voz (FFII 2.0TDCI 11.5.2007) ma podla katalogu tuto vec zhodnu s aktualnym 2.0i 14.4.2005. Chalani, dajte nejaky VIN novsieho C-Maxu s ESP, nemam v zbierke ziadny taky
EDIT :
Uuuuz som nasiel (C-Max 2.0TDCI 16.4.2008) a dobra sprava - jedna sa o ten isty diel s kodom 2B373, FINIS 1692659, cena 4900 CzK bez DPH, cize nic katastroficke.
Som si na 99.9% isty, ze to bude normalne pasovat a fungovat.
Ahoj Viete sa pozriet na nas C-max WFoMXXGCDM6L77129 je tam taketo cislo C1288-EO-ABS.. a ide o vozidlo
C-Max 1,6 TCDI 66 Kw (2006) .
ci z rocnika 2007-200x tam pasuje ?
dakujem za pomoc.
-
muto33
- Nováček

- Příspěvky: 12
- Registrován: 11.02.2009 20:16
- lalinek
- Nováček

- Příspěvky: 151
- Registrován: 30.11.2011 17:26
- Bydliště: Kopřivnice
- Kontaktovat uživatele:
Re: Nefunkční ESP
Jak to šlo a funguje to?
1.6 Ti-VCT 85kw, 2005, Titanium, https://www.ford-focus.cz/forum/viewtopi ... 95&t=30866
-
muto33
- Nováček

- Příspěvky: 12
- Registrován: 11.02.2009 20:16
Re: Nefunkční ESP
Jo funguje.Okamžitě po zapnutí klíčku proběhl test esp a kontrolka zhasla.Šlo to překvapivě dobře až na ten přístup.Zhruba 3 hodiny a bylo hotovo i z výměnou brzdovky.
Kdo je online
Uživatelé prohlížející si toto fórum: Žádní registrovaní uživatelé a 2 hosti


