Osvětlení prostoru pro nohy vpředu
-
jostrih
- Příspěvky: 1
- Registrován: 12.05.2009 22:30
Re: Osvetlenie priestoru pre nohy v predu - ziarovka?
Ahoj vsetkym.
Dakujem za prinosne prispevky v tomto vlakne.
Nasiel som to spravne miesto, osadil ziarovcickami a uz moj FOFO svieti krasne na zeleno.
Dakujem za prinosne prispevky v tomto vlakne.
Nasiel som to spravne miesto, osadil ziarovcickami a uz moj FOFO svieti krasne na zeleno.
- stand
- Zkušený

- Příspěvky: 1010
- Registrován: 06.10.2008 09:09
- Bydliště: Plzeň
Re: Osvetlenie priestoru pre nohy v predu - ziarovka?
Tak sem bezproblemu nasel patice, dal tam zarovky co se valely doma a uz svitim!
časem dokoupim neco mene svitiveho než tyhle 5W .
časem dokoupim neco mene svitiveho než tyhle 5W .
- Anduril
- Test driver

- Příspěvky: 5096
- Registrován: 07.11.2009 16:56
- Bydliště: Ostrava
Re: Osvetlenie priestoru pre nohy v predu - ziarovka?
Tak u meho TrendX byla take priprava pro osvetleni nohou. Stacilo vsadit zarovky 
- Nepér
- Zkušený

- Příspěvky: 1500
- Registrován: 09.12.2009 08:35
- Bydliště: Praha 8
Re: Osvetlenie priestoru pre nohy v predu - ziarovka?
FoFo II, 2005, výbava sport, patice tam jsou, drátky k nim vedou, ale po vložení jedné žárovky nesvítí. Stejný problém popisuje i VlastaH, není třeba někam přidat nějakou pojistku, zasunout svorkovnici, či něco podobného? Kdy to má svítít, současně s horním světlem?
Mondeo mk4, 2.0i, 2010
-
MK2
- Test driver

- Příspěvky: 4585
- Registrován: 01.09.2008 20:30
- Bydliště: Kolín, Nedašov
Re: Osvetlenie priestoru pre nohy v predu - ziarovka?
Svítí to když otevřeš dveře, stejně jako stropní světlo. Jestli máš LEDky tak může být poblém v tom že si dal jednu opačně
Ale jestli máš klasickou žárovku tak netuším kde může být problém...
2012 Mazda 3 2.0DISI 111kW
- Nepér
- Zkušený

- Příspěvky: 1500
- Registrován: 09.12.2009 08:35
- Bydliště: Praha 8
Re: Osvetlenie priestoru pre nohy v predu - ziarovka?
Nemám ledky, zkoušel jsem tam žárovky, obě dvě, nesvítí to, v pojistkovce před spolujezdcem jsou všechny pozice osazeny, v těch, co tam nejsou nejsou ani patice pro další pojistky. BTW, mám nějakou jinou pojistkovku, co není v manuálu a mám tam ten krycí dekl, jak někdo psal, že ho nemá...
Mondeo mk4, 2.0i, 2010
-
KUTY
Re: Osvetlenie priestoru pre nohy v predu - ziarovka?
Ked nemam pripravu (patice), da sa dodatocne dotiahnut kabel z ineho zdroja ?
-
MK2
- Test driver

- Příspěvky: 4585
- Registrován: 01.09.2008 20:30
- Bydliště: Kolín, Nedašov
Re: Osvetlenie priestoru pre nohy v predu - ziarovka?
Tak teoreticky od odsvětlení ve stopě. Bo to svítí zároveň s ním. Nebo si vezmeš zkoušečku a budeš hledat na kterém "drátku" se objeví napětí když otevřeš dveře 
2012 Mazda 3 2.0DISI 111kW
- Nepér
- Zkušený

- Příspěvky: 1500
- Registrován: 09.12.2009 08:35
- Bydliště: Praha 8
Re: Osvetlenie priestoru pre nohy v predu - ziarovka?
Teoreticky, teoreticky... já tam ty patice i přívody mám, ale po vložení žárovek se nic neděje a přívody mizí kdesi ve svazku...
Mondeo mk4, 2.0i, 2010
- Loco
- Nováček

- Příspěvky: 30
- Registrován: 13.02.2010 20:36
- Bydliště: Ouvaly
Re: Osvetlenie priestoru pre nohy v predu - ziarovka?
Mám stejnou situaci, vše se zdá být připravené, ale nesvítí. Zkouším žárovky OSRAM W5W, 12V, 5W, patice W2,1x9,5d http://www.e-light.cz/svitidla/1815/Nepér píše:Teoreticky, teoreticky... já tam ty patice i přívody mám, ale po vložení žárovek se nic neděje a přívody mizí kdesi ve svazku...
jdu pátrat
- Nepér
- Zkušený

- Příspěvky: 1500
- Registrován: 09.12.2009 08:35
- Bydliště: Praha 8
Re: Osvetlenie priestoru pre nohy v predu - ziarovka?
Žárovka je správná, ale nežije to no.
Mondeo mk4, 2.0i, 2010
- Loco
- Nováček

- Příspěvky: 30
- Registrován: 13.02.2010 20:36
- Bydliště: Ouvaly
Re: Osvetlenie priestoru pre nohy v predu - ziarovka?
možná je to jenom někde vejš rozpojený... možná zkusim rozdělat šuplík před spolujezdcem, třeba tam bude něco vidět.Nepér píše:Žárovka je správná, ale nežije to no.
- Nepér
- Zkušený

- Příspěvky: 1500
- Registrován: 09.12.2009 08:35
- Bydliště: Praha 8
Re: Osvetlenie priestoru pre nohy v predu - ziarovka?
Já koukal, jestli nechybí třeba nějaká pojistka, ale všechny neobsazené pozice neměly ani kontakty. Zdálo se vše na svém místě.
Mondeo mk4, 2.0i, 2010
- foki
- Admin

- Příspěvky: 19243
- Registrován: 02.02.2008 03:18
- Bydliště: České Budějovice
- Kontaktovat uživatele:
Re: Osvetlenie priestoru pre nohy v predu - ziarovka?
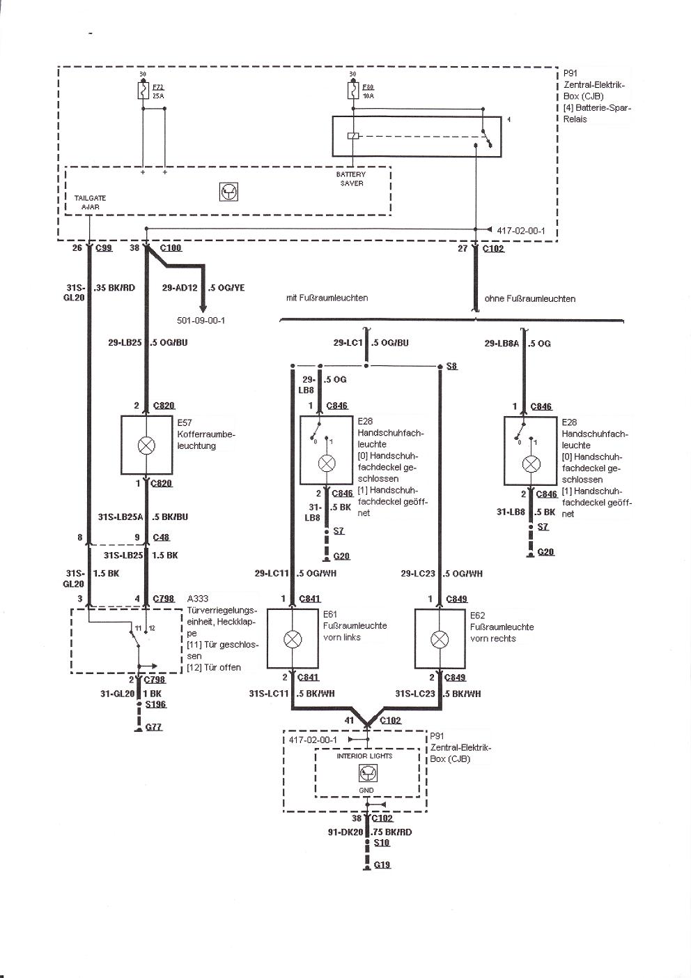
je to v serii s osvetlenim kastliku
Odpovědi lehké - 100,- Kč
Odpovědi, při kterých
se musí myslet - 240,- Kč
Vážné odpovědi - 340,- Kč
Odpovědi na hloupé
a zbytečné otázky - 400,- Kč
specialní sazba :
otázka, na kterou jsem už dříve odpověděl - 500 Kč
Odpovědi, při kterých
se musí myslet - 240,- Kč
Vážné odpovědi - 340,- Kč
Odpovědi na hloupé
a zbytečné otázky - 400,- Kč
specialní sazba :
otázka, na kterou jsem už dříve odpověděl - 500 Kč
- Nepér
- Zkušený

- Příspěvky: 1500
- Registrován: 09.12.2009 08:35
- Bydliště: Praha 8
Re: Osvetlenie priestoru pre nohy v predu - ziarovka?
Tu svorkovnici 29-LC1.5 OG/BU najdu kde? //edit: tak ono je to označení vodiče, každopádně hledám tu svorkovnici, kde se to roztrojuje.
Ona i ta zem bude asi třeba připojit do té CJB krabičky...
Ona i ta zem bude asi třeba připojit do té CJB krabičky...
Mondeo mk4, 2.0i, 2010
Kdo je online
Uživatelé prohlížející si toto fórum: Žádní registrovaní uživatelé a 1 host



