Chalani mozte mi poradit?
Mam spravene automaticke denne svietenie za pomoci rele R12 a poistky 22. Neslo by to spravit tak aby sa pri nastartovani zapli nie len predne svetla ale aj zadne obrysove ? Kedze tie sa same nezapnu a preba ich zapinat vecer alebo v tunely rucne. A este ci by to neslo aby sa zapli az po nastartovani. Dakujem vam za rady.
Automaticke denne svietene
- Slown
- Nováček

- Příspěvky: 5
- Registrován: 15.04.2011 18:43
Automaticke denne svietene
Ford Focus 1.8 TDCi r.v. 2002
- pkadecka
- Test driver

- Příspěvky: 4764
- Registrován: 18.08.2009 12:39
- Bydliště: Kostelec nad Labem
Re: Automaticke denne svietene
Kdyby ti stačilo jenom aby se světla rozsvěcely až když naskočí motor, tak návod je tady:
http://www.ford-focus.cz/forum/viewtopi ... &start=196
Jestli chceš, aby svítilo všechno, tak to bude trošku složitější. Já mám jen funkci denního svícení, rozsvěcí to jenom potkávačky. Nesvítěj při tom parkovačky ani zadní, ani SPZ. Tohle všechno ti musí svítiit, aby to byly plnohodnotný světla pro svícení v noci (a za snížené viditelnosti).
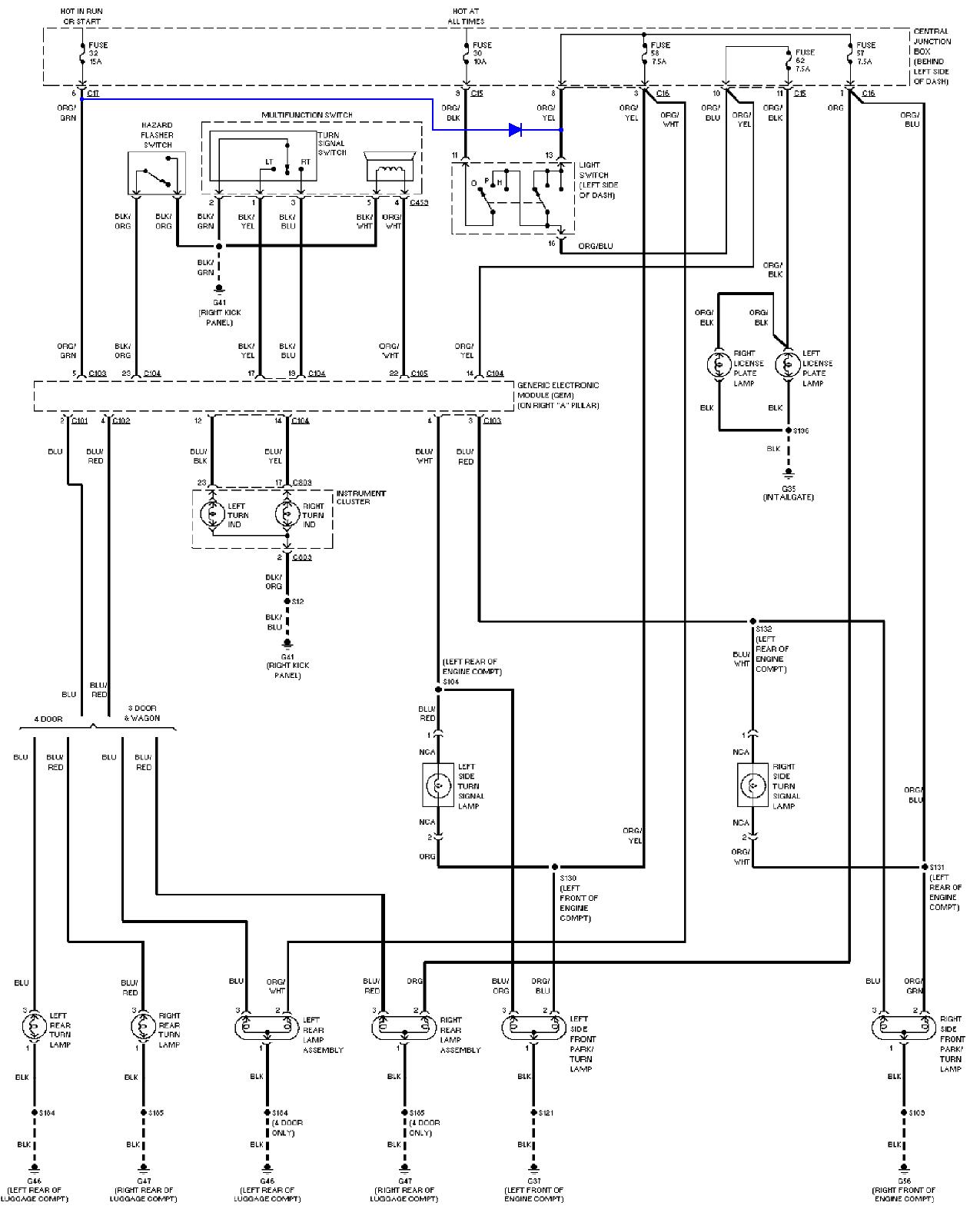
Stáhni si elektrické schéma a projdi si ho. Na straně Exterior Lamps Circuit (strana 32 v PDF) je vidět LIGHT SWITCH (přepínač světel) je zapojení světel kromě potkávacích / dálkových, ty jsou jinde. Nejjednodušší by to bylo udělat takhle, propojíš HOT IN RUN OR START s výstupem přepínače světěl, ale přes diodu, aby to nědělalo nějaký psí kusy když ten přepínač zapneš ručně. Ala bude to svítit hned po otočení klíčku, ne až když běží motor:
http://www.ford-focus.cz/forum/viewtopi ... &start=196
Jestli chceš, aby svítilo všechno, tak to bude trošku složitější. Já mám jen funkci denního svícení, rozsvěcí to jenom potkávačky. Nesvítěj při tom parkovačky ani zadní, ani SPZ. Tohle všechno ti musí svítiit, aby to byly plnohodnotný světla pro svícení v noci (a za snížené viditelnosti).
Stáhni si elektrické schéma a projdi si ho. Na straně Exterior Lamps Circuit (strana 32 v PDF) je vidět LIGHT SWITCH (přepínač světel) je zapojení světel kromě potkávacích / dálkových, ty jsou jinde. Nejjednodušší by to bylo udělat takhle, propojíš HOT IN RUN OR START s výstupem přepínače světěl, ale přes diodu, aby to nědělalo nějaký psí kusy když ten přepínač zapneš ručně. Ala bude to svítit hned po otočení klíčku, ne až když běží motor:
Pavel Kadečka
Mazda 6, 2.0i, 2004
Citroën Xsara, 1.4i, 2004
Ford Focus Turnier, 1.6i, 2002
Mazda 6, 2.0i, 2004
Citroën Xsara, 1.4i, 2004
Ford Focus Turnier, 1.6i, 2002
Kdo je online
Uživatelé prohlížející si toto fórum: Žádní registrovaní uživatelé a 3 hosti

