Ventilácia
- Jemar
- Zkušený

- Příspěvky: 1700
- Registrován: 02.02.2008 03:18
- Bydliště: čáslavsko
Re: Ventilácia
Dnes jsem zkusil poslední možnost a to přehrání softwaru v řídící jednotce. Vybral jsem si Ford Charouz Čáslav. Bohužel ani tato možnost problém nevyřešila. Klapka si stále dělá co chce a mě už dochází trpělivost. Jediný klad, který přineslo přehrání softwaru je obnovení funkce centrálního zamykání pomocí klíče (dálkové fungovalo vždy). Měl jsem podezření na špatně fungující mikrospínač v zámku dveří u řidiče (při zamykání se zamkly jen dveře u řidiče, při zamykání dveří u spolujezdce se zamklo celé auto). Po přehrání softwaru vše funguje jak má (zkoušeno cca 50x - zatím funguje bezchybně!).
Protože už opravdu nevím jak dál, posílám recirkulační klapku k ledu. Už mě to nebaví!!! Protože jsem nedošel k žádnému vyřešení problémů s recirkulační klapkou, můžete to celé tady klidně smáznout.
Protože už opravdu nevím jak dál, posílám recirkulační klapku k ledu. Už mě to nebaví!!! Protože jsem nedošel k žádnému vyřešení problémů s recirkulační klapkou, můžete to celé tady klidně smáznout.
- Jemar
- Zkušený

- Příspěvky: 1700
- Registrován: 02.02.2008 03:18
- Bydliště: čáslavsko
Re: Ventilácia
Abych zbytečně neuváděl v omyl všechny majitele fofo - zázračná oprava centrálního zamykání přehráním softwaru se nekonala. Dnes ráno bylo vše při starém, klíčem se dají odemknout jen dveře u řidiče. Zřejmě to začalo fungovat díky asi hodinovému pobytu v teple (normálně parkuju venku).
- Jemar
- Zkušený

- Příspěvky: 1700
- Registrován: 02.02.2008 03:18
- Bydliště: čáslavsko
Re: Ventilácia
Je to nuda si tady psát sám pro sebe, nicméně nastal zlomový okamžik a ta zatracená klapka konečně FUNGUJE!
Novou klapku jsem dnes namontoval, připojil upravený servomotor a vše
funguje tak jak má.
Úprava motorku - motorek jsem použil původní, jen jsme se švagrem
snížili vstupní napětí pomocí odporu, protože vlivem šnekového převodu
je motorek moc silný a a při zavření klapky velice zatěžuje připojovací
otvor v klapce (hřídelka pohonu má snahu protočit se v klapce) .
Rychlost otvírání se ale nezměnila.
Úprava klapky - klapku nelze z vozu vyndat jinak než vyjmout celý
systém topení a to je hodně pracné a drahé. Proto jsem použil jednodušší
postup a to - vyřezat mřížku klapky . Já jsem ji vystříhal
nůžkami na plech, zbytky jsem vylámal a zapiloval.Těleso klapky je po
tomto zákroku stejně pevné jako předtím. Potom jde vlastní klapka pěkně
vyjmout i namontovat. Já jsem použil klapku z vrakoviště (rok výroby
2003 - bílá hmota - vypadá pevněji než původní černá). Mezitím jsem
zjistil že klapka je naprosto souměrná a je možné původní jen otočit.
Podle informací od Fordu nelze samostatně klapku koupit, zbývá jen otočit,
nebo vrakoviště.
Jen jsme nepochopili elektrické zapojení. Kabeláž mezi konektorem C375 a
C380 je dle ohmmetru v pořádku, (postupovali jsme podle schemat
TIS-Ford), ale bohužel během zkoušení jsou obě polohy koncového
vypínání nefunkční! Naštěstí motorek běží asi jen 2-3 sekundy
(přibližně doba která je potřeba k přetočení klapky z jedné krajní
polohy do druhé) a pak se automaticky vypne (je to úmysl -
naprogramované?). Z našeho pohledu to vypadá že původně to fungovalo na
koncové vypínání a po nějakém upgrade výrobce toto nahradil softwarovým
vypínáním a koncáky tam už zůstaly z důvodu zbytečných nákladů na změnu
kabeláže a celého servopohonu! Možná je to odvážná teorie ale na nic
jiného jsem nepřišel. Klapka funguje naprosto v pohodě a jsem rád, že
můžu po skoro dvouměsíční anabázi zvolat "HEURÉKA".
[youtube]http://www.youtube.com/watch?v=dLcA6a1LQlA[/youtube]
Novou klapku jsem dnes namontoval, připojil upravený servomotor a vše
funguje tak jak má.
Úprava motorku - motorek jsem použil původní, jen jsme se švagrem
snížili vstupní napětí pomocí odporu, protože vlivem šnekového převodu
je motorek moc silný a a při zavření klapky velice zatěžuje připojovací
otvor v klapce (hřídelka pohonu má snahu protočit se v klapce) .
Rychlost otvírání se ale nezměnila.
Úprava klapky - klapku nelze z vozu vyndat jinak než vyjmout celý
systém topení a to je hodně pracné a drahé. Proto jsem použil jednodušší
postup a to - vyřezat mřížku klapky . Já jsem ji vystříhal
nůžkami na plech, zbytky jsem vylámal a zapiloval.Těleso klapky je po
tomto zákroku stejně pevné jako předtím. Potom jde vlastní klapka pěkně
vyjmout i namontovat. Já jsem použil klapku z vrakoviště (rok výroby
2003 - bílá hmota - vypadá pevněji než původní černá). Mezitím jsem
zjistil že klapka je naprosto souměrná a je možné původní jen otočit.
Podle informací od Fordu nelze samostatně klapku koupit, zbývá jen otočit,
nebo vrakoviště.
Jen jsme nepochopili elektrické zapojení. Kabeláž mezi konektorem C375 a
C380 je dle ohmmetru v pořádku, (postupovali jsme podle schemat
TIS-Ford), ale bohužel během zkoušení jsou obě polohy koncového
vypínání nefunkční! Naštěstí motorek běží asi jen 2-3 sekundy
(přibližně doba která je potřeba k přetočení klapky z jedné krajní
polohy do druhé) a pak se automaticky vypne (je to úmysl -
naprogramované?). Z našeho pohledu to vypadá že původně to fungovalo na
koncové vypínání a po nějakém upgrade výrobce toto nahradil softwarovým
vypínáním a koncáky tam už zůstaly z důvodu zbytečných nákladů na změnu
kabeláže a celého servopohonu! Možná je to odvážná teorie ale na nic
jiného jsem nepřišel. Klapka funguje naprosto v pohodě a jsem rád, že
můžu po skoro dvouměsíční anabázi zvolat "HEURÉKA".
[youtube]http://www.youtube.com/watch?v=dLcA6a1LQlA[/youtube]
Naposledy upravil(a) Jemar dne 01.03.2008 06:02, celkem upraveno 3 x.
- pelen
- Test driver

- Příspěvky: 9259
- Registrován: 02.02.2008 03:18
- Bydliště: Nový Jičín
- Kontaktovat uživatele:
Re: Ventilácia
to Jemar:
Zase jeden dobry navod. Kdyz pridas hodnotu odporu (ohm/W), tak to bude uplne.
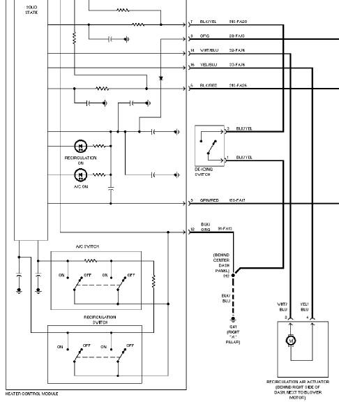
Na nasledujicim schematu nejsou zadne koncaky:
Zase jeden dobry navod. Kdyz pridas hodnotu odporu (ohm/W), tak to bude uplne.
Na nasledujicim schematu nejsou zadne koncaky:
- Jemar
- Zkušený

- Příspěvky: 1700
- Registrován: 02.02.2008 03:18
- Bydliště: čáslavsko
Re: Ventilácia
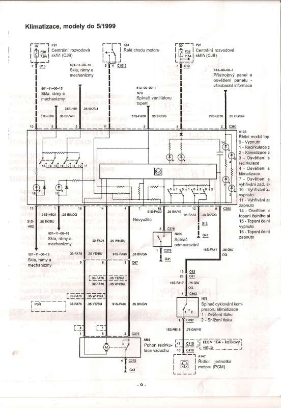
Já jsem měl k dispozici toto schéma:
- Jemar
- Zkušený

- Příspěvky: 1700
- Registrován: 02.02.2008 03:18
- Bydliště: čáslavsko
Re: Ventilácia
Tomuto zapojení odpovídá kabeláž v autě, k motorku vedou skutečně 4 dráty (napájení motoru - poz.1;6, ovládání koncáků - poz.3 a zem - poz. 4). Na klapce kterou jsem použil z vrakoviště (r.v. 2003) byl již jiný servomotor a jiný konektor. Je pravděpodobné že zmíněné schéma bez koncáků je pro novější vozy (po FL?).
- pelen
- Test driver

- Příspěvky: 9259
- Registrován: 02.02.2008 03:18
- Bydliště: Nový Jičín
- Kontaktovat uživatele:
Re: Ventilácia
Mas pravdu, ja jsem tu dal schema z ford_focus_2002.pdf.
- Jemar
- Zkušený

- Příspěvky: 1700
- Registrován: 02.02.2008 03:18
- Bydliště: čáslavsko
Re: Ventilácia
Co se týká velikosti odporů je to trošku komplikovanější. Odpory jsme tam dali 3 a jsou různých velikostí (celkový odpor je cca 8,92 Ω/0,5 W). Měli jsme co dělat abychom je do krabičky dostali. Vše bylo podřízeno tomu, abychom motorek dokázali rukou zastavit, takže odpory se vybíraly systémem co dům dal. Důležité je nastavit si na zdroji vyšší napětí než je na baterii, my jsme použili cca 14 V.
Na závěr jsme vodivé části odporů zakápli tavnou pistolí (kvůli případnému zkratu - je tam opravdu málo místa). Vzhledem k tomu že motorek pracuje občas a krátkou chvilku, nehrozí případné zahřívání odporů.
Na závěr jsme vodivé části odporů zakápli tavnou pistolí (kvůli případnému zkratu - je tam opravdu málo místa). Vzhledem k tomu že motorek pracuje občas a krátkou chvilku, nehrozí případné zahřívání odporů.
- jirinp
- Nováček

- Příspěvky: 185
- Registrován: 23.06.2008 08:57
- Bydliště: Prostějovsko
Re: Ventilácia
Když jsem čistil klimu, tak jsme zjistil, že klapka vnitřní cirkulace nějak moc nefunguje. Prostě zmáčknu a nic, nebo spíš vnitřní okruh jo, ale pak do vnějšího se ji ja jaksi nechce. Asi bude hodně vydřené, bo to jde pak dostat do správné polohy rukou. Kdyby to bylo na šneku motorku, jak popisujete, tak s tim nehnu. Naštěstí se tam jde dostat, aniž bych odšrouboval kastlík, sice ruka natěsno, ale na klapku prstem dostanu a pohnu jí.
Řešit to, či neřešit?
Řešit to, či neřešit?
FF Combi 1,6, r.v. 1999, tmavěmodrámetlička
Od 6/2013 Auto s pííp ve znaku, jízda plná zázraků - aneb Fluence. Focus prodán tchánovi, takže se o něj stále starám
Od 6/2013 Auto s pííp ve znaku, jízda plná zázraků - aneb Fluence. Focus prodán tchánovi, takže se o něj stále starám
Kdo je online
Uživatelé prohlížející si toto fórum: Žádní registrovaní uživatelé a 2 hosti



